Medida de armónicos en ambientes industriales
La medición e interpretación de los armónicos de la corriente eléctrica es el primer paso para evitar el daño que producen en transformadores y otros dispositivos eléctricos
Calidad de la energía eléctrica
La calidad de la energía es la ausencia de interrupciones, sobretensiones, deformaciones producidas por armónicos en la red y variaciones de voltaje en la señal eléctrica suministrada al usuario.
La calidad de la energía se ha visto afectada por el incremento del número de car-gas sensibles en los sistemas eléctricos, las cuales, por sí solas, resultan ser una causa de degradación en la calidad de la energía eléctrica. Estas cargas sensibles son las llamadas cargas perturbadoras, de características normalmente no lineales.
Perturbaciones armónicas
Una perturbación armónica es una deformación de onda respecto a la senoidal pura (figura 1).
Los armónicos son tensiones o corrientes de frecuencia múltiplo entero de la frecuencia fundamental (50Hz).
También existen los interarmónicos, los cuales son señales no múltiples enteros de la frecuencia fundamental, cuyos efectos no tienen mucha importancia, por lo que se suelen despreciar.
La aparición de un amplio abanico de dispositivos electrónicos conectados a los elementos de distribución, ha provocado un aumento en la distorsión en la tensión y corriente del sistema.
La calidad de la energía eléctrica disminuye porque los armónicos afectan negativamente a las cargas eléctricas y a la propia instalación.
Para detectar la presencia de armónicos se utilizan equipos de medida, pero un buen conocimiento y una correcta interpretación de algunos efectos, a veces es más que suficiente para afirmar la presencia de armónicos en el sistema.
Causas de los armónicos
La principal causa de los armónicos es la presencia, cada vez en mayor número, de cargas no lineales de origen electrónico.
Estas cargas no consumen corriente de forma progresiva, sino que lo hacen de forma brusca. Se caracterizan por consumir corriente a impulsos, como puede ser la descarga de un tiristor.
Estas corrientes bruscas causan caídas de tensión. Éstas provocan distorsiones en la onda de corriente y tensión, las cuales alimentarán a otras cargas no lineales, repitiéndose el proceso.
Otra causa de la aparición de armónicos es la disposición desfavorable de cargas inductivas y/o capacitivas, las cuales pueden producir oscilaciones en el suministro eléctrico y, por lo tanto, la aparición de armónicos.
Los armónicos se ven amplificados en condiciones de resonancia, condición que se suele dar cuando se colocan condensadores en la red para mejorar el factor de potencia.
Efectos de los armónicos
Los efectos que producen los armónicos dependen del grado de distorsión total y de la sensibilidad de los equipos. Algunos de estos efectos se pueden ver a simple vista y para otros es necesaria la utilización de equipos de medida.
Los efectos más usuales son los siguientes:
– Calentamientos: se producen calentamientos en los devanados de transformadores, motores y en el conductor de neutro. El calentamiento en los devanados de motores y transformadores se debe al efecto piel. Cuando por un conductor circula una corriente a frecuencia industrial, la carga se reparte por toda la sección del conductor. Cuanto mayor es la frecuencia, más tiende la carga a concentrarse y circular por la superficie exterior del conductor, desaprovechando sección útil y produciéndose un calentamiento en el conductor y, en el caso de los trafos, en los devanados del mismo.
– Salto de protecciones: las señales de armónicos pueden tener valores de picos muy altos, que provocan el salto intempestivo de las protecciones magnetotérmicas y diferencial.
– Resonancia: cuando a un circuito inductivo se le colocan condensadores para mejorar el factor de potencia, se está creando un circuito resonante. Este tipo de circuito amplifica algunos armónicos, lo que puede llegar a provocar el deterioro, e incluso la destrucción, de los condensadores.
– Vibraciones y acoplamientos: las altas frecuencias armónicas y las subidas y bajadas rápidas de las señales distorsionadas provocan interferencias electromagnéticas, que pueden provocar vibraciones en cuadros eléctricos y transformadores, y acoplamientos en redes de telecomunicaciones.
– Achatamiento de la onda de tensión: la corriente distorsionada puede provocar una deformación de la onda de tensión, llegando a achatar la señal. Este achatamiento produce que la señal no alcance el valor de pico, con lo que algunos elementos electrónicos (variadores de velocidad) se excitan cuando la señal alcanza su valor de pico y no funcionen correctamente.
Clasificación de los armónicos
Los armónicos se clasifican por su orden, frecuencia y secuencia, tal como se indica en la tabla 1.
Los armónicos impares son los que se encuentran en las instalaciones eléctricas y edificios comerciales.
Los pares sólo existen cuando se produce una asimetría en la señal debido a la componente continua. En general, son de escasa consideración en las instalaciones eléctricas industriales.
Los armónicos de secuencia positiva tienden a hacer girar el motor en el mismo sentido que la componente fundamental, generando una sobrecorriente que provoca el calentamiento del motor, iniciando deterioros en el aislamiento entre los devanados, reduciendo la vida útil del motor y aumentando el riesgo de averías en el mismo. También causan sobrecalentamientos en transformadores, cables, etc.
Los armónicos de secuencia negativa hacen girar el motor en sentido contrario, frenándolo, provocando también calentamientos y la reducción de la vida útil de ejes y engranajes.
Los armónicos de secuencia 0 producen una intensidad en el neutro.
Los armónicos múltiplos de 3 son muy importantes, tanto por su alta presencia como por sus efectos. Los armónicos de orden 3 y 9 son los que más presencia tienen en las instalaciones industriales. En éstas, la sobrecarga de corriente en el neutro puede ser muy importante, pudiendo ser el doble de la intensidad que circula por la fase.
Fuentes de armónicos en ambientes industriales
Los equipos generadores de armónicos tienen características no lineales, y a pesar de ser los más generadores de deformación, también son los que más se ven afectados por los mismos. A estos tipos de equipos se les denomina cargas deformantes.
Los equipos que más generan armónicos en la industria en general son los siguientes:
– Rectificadores cargadores trifásicos (convertidores de corriente alterna a corriente continua, combinaciones de diodos y tiristores). Generan armónicos de orden 5, 7, 11, 13, 17….
– Variadores de velocidad (variadores de frecuencia), equipos utilizados para la regulación de la velocidad. Generan armónicos de orden 5, 7, 11, 13, 17….
– Fuentes de alimentación monofásicas, este tipo de cargas crean armónicos de orden 3 y sus múltiplos enteros.
– Alumbrado fluorescente, el armónico más relevante que produce esta carga es el de orden 3.
Factor K de desclasificación
En la gran mayoría de los casos, cuando un transformador alimenta cargas no lineales, este transformador se sobrecalienta aun cuando no ha alcanzado sus KVA nominales. Este efecto es causado por los armónicos.
El factor K es un valor que nos indica la reducción de potencia que se debe aplicar al trafo, respecto de la nominal, para que éste no sufra aumentos de temperatura que pueda degradar el aislante de los devanados o del dieléctrico, en ambientes con una gran presencia de armónicos.
Este dato suele darlo los equipos de medida y análisis de armónicos.
Estudio del efecto de los armónicos en los trafos
Los transformadores, en cuyo secundario hay conectadas cargas deformantes, sufren calentamientos anormales que reducen considerablemente la vida útil de los mismos.
Si no es posible eliminar los armónicos desde su origen, con la instalación de filtros, se deben construir los transformadores con unas características tales que les haga inmunes a los efectos de los armónicos en régimen de trabajo permanente, con la misión de mantener unos parámetros mínimos de calidad en la tensión. Esto encarece notablemente el precio del equipo.
Los transformadores también realizan labores de “cortafuegos” es decir, que una correcta elección del transformador evitará que los armónicos pasen aguas arriba del mismo contaminando la red, en otras palabras, se crean áreas de confinamiento.
Los armónicos 3 y 5 son los que se encuentran en mayor proporción en las instalaciones industriales (sin despreciar el 7 y el 9, los cuales suelen estar presentes en menor medida, pero que tienen su importancia).
El armónico 3 no llegará a la red si entre la carga deformante y la red se ins-tala un transformador con disposición en estrella en el secundario y triángulo en el primario (Dy), por lo que la labor de confinamiento es relativamente sencilla.
El confinamiento del armónico 5 es más complicado, por lo que este estudio se centrará en los trafos con cargas en su secundario que generan este armónico.
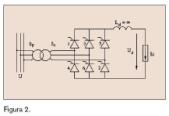
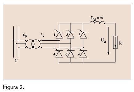
Los elementos perturbadores que generan este tipo de armónico en la industria son los rectificadores cargadores trifásicos, convertidores de corriente alterna a corriente continua, combinaciones de diodos y tiristores (figura 2).
Equipos de medida
La medida de los armónicos se realiza con equipos que analizan la señal y realizan un espectro de los distintos órdenes de armónicos (figura 3).
Estos espectros no son más que la visualización de la serie de Fourier de la señal, la cual descompone una señal en la suma de varias señales distintas.
Estos equipos de medida suelen indicar también la tasa de distorsión armónica, tanto de tensión como de intensidad en porcentaje, así como el porcentaje de distorsión de cada orden de armónico.
Mediciones en el transformador
El transformador, en el cual se va a realizar la medición, tiene una potencia nominal de 1.600 kVA, y tiene acoplado un rectificador trifásico en el secundario.
Los datos obtenidos son monitorizados como se indica en las gráficas que siguen a continuación:
En la primera gráfica es evidente la deformación de la onda de tensión e intensidad, siendo más clara la deformación en la onda de intensidad.
En la tercera gráfica se observa que hay una distorsión en la señal de tensión, no peligrosa pero preocupante (1). La tasa de distorsión armónica de tensión es intolerable por encima del 8 %, según norma EN 50160:1999, pero a partir del 5% se considera que hay que realizar las acciones necesarias para eliminarlos.
Los rectificadores generan armónicos de orden 5, 7, 11, 13… y eso queda evidenciado en el espectro de los armónicos de intensidad (4), donde el armónico de orden 5 tiene unos valores de cerca del 30 %.
La tasa de distorsión armónica de intensidad (THDi) alcanza unos valores del 30,4 % (2), muy por encima del 15 % considerado como límite.
No existe un porcentaje de THDi normalizado, como sucede en el THDv, para indicar a partir de qué valor se considera peligroso, eso depende de la carga, pero la experiencia hace tomar como límite el 15 %.
El factor de desclasificación K (3) tiene un valor de 3,2, por lo que la potencia del trafo para que funcione sin calentamientos que puedan deteriorar el aislamiento de los devanados o degradar el dieléctrico, es la potencia nominal entre el factor de desclasificación, esto es 1600/3,2, lo que da un valor de 500kVA.
Conclusiones
Con los datos de la medición anterior, se puede afirmar que el transformador está trabajando en unas condiciones que no son las adecuadas y las cuales elevan el riesgo de averías en los mismos, ya que trabajar por encima de las condiciones óptimas produce unos efectos no visibles pero dañinos a largo plazo.
El calentamiento que provoca la desclasificación de los transformadores deteriora el estado de los devanados y degrada el dieléctrico, reduciendo considerablemente la vida útil del trafo.
Al problema que provocan los armónicos en los transformadores, hay que añadir el efecto que producen los mismos en la calidad de la energía. Los armónicos de 5, orden que son los más generados en los rectificadores trifásicos, son inyectados aguas arriba de los transformadores, llegando incluso a la propia red de distribución.
Para evitar que esto suceda se instalan transformadores con doble secundario, donde se realiza un decalaje angular entre las tensiones en sus dos salidas de 30º.
Bibliografía
Cenelec en 50160. Voltage Characteristics of electricity supplied by public distribution systems. Noviembre 1994.
Arrillaga, L.I. Eguíluz. Armónicos en Sistemas de Potencia. Servicio de Publicaciones de la Universidad de Cantabria, 1994.
Ángel Alberto Pérez Miguel, Nicolás Bravo de Medina. La amenaza de los armónicos y sus soluciones. Editorial Paraninfo, España.
RESUMEN
La incorporación de equipos electrónicos en los procesos productivos industriales ha agravado el efecto que producen los armónicos en los propios equipos perturbadores, y en los demás dispositivos del sistema eléctrico industrial. A estos efectos hay que añadir el deterioro que se produce en la calidad de la energía eléctrica. Uno de los dispositivos que más se ha visto afectado por la presencia de armónicos son los transformadores. Una correcta interpretación de los efectos producidos y la claridad de algunas ideas básicas, evitará la avería de los trafos y un funcionamiento más óptimo de los mismos.







