Global, un modelo de gestión de procesos
Propuesta de un modelo para gestionar procesos que utiliza la metodologia IDEFO y que cumple con los requisitos del modelo EFQM de Excelencia y de la norma ISO 9001:2000
Introducción
En la década de los 90 surgieron diversas aportaciones en materia de gestión empresarial que, aun aportando diferentes enfoques, tenían en común la sugerencia de adoptar la gestión de procesos como uno de los elementos fundamentales en la gestión.
1. Uno de los ocho conceptos fundamentales del modelo EFQM, es “La gestión por procesos y datos” que es desplegado, en su estructura, en el criterio 5: Procesos.
2. Uno de los principios de la norma ISO 9001:2000, es “Gestión por procesos”.
Dada esta coincidencia, entendemos la necesidad de integrar estos, y otros, estándares en un modelo o arquitectura de procesos robusta que permita su fácil aplicación práctica a la vez que faculte desplegar un sistema de documentación muy ligero.
El modelo presentado no es más que una posibilidad de representación, en ningún caso la única posible. Fruto de la libertad creativa y de la riqueza intelectual de cada uno de los lectores, pueden salir diversos modelos IDEF0 para una misma organización.
La gestión de procesos
Generalidades
Una metodología fundamentada para gestionar procesos será la que integre las diferentes recomendaciones hechas por las normas y estándares comentados.
Pensamos que, en primer lugar, tiene que integrar el concepto de mejora continua o, más conocido, concepto de PDCA que dará cumplimiento al sexto concepto fundamental del modelo EFQM de Excelencia que dice “Proceso continuo de aprendizaje, innovación y mejora” y al principio básico f) de la norma ISO 9000:2000 que dice “Mejora continua”. Asimismo, cumple perfectamente los requisitos especificados en el apartado 4.1. de la propia ISO.
La metodología que proponemos queda explicada con las fases:
1. Identificar los procesos de la organización;
2. Después se tiene que diseñar cada proceso, destacando el diseño de los procedimientos y los indicadores;
3. A continuación implantarlos;
4. Proceder a su revisión;
5. Mejorarlos.
Si hacemos todo esto, podemos decir que disponemos de un “Sistema de gestión de procesos.”
En este artículo se incidirá en la fase de identificación y, en grado menor, en la de diseño.
Nota: Para ampliar conocimientos de gestión de procesos ser puede obtener un artículo, de esta misma serie, que lleva por título “La gestión de procesos”1.
La gestión de procesos en el modelo EFQM de Excelencia
El modelo EFQM de Excelencia2,3contempla el concepto de procesos, en:
1. Un concepto fundamental: “Gestión por procesos y datos. Las organizaciones actúan de manera más efectiva cuando todas sus actividades interrelacionadas se comprenden y se gestionan de manera sistemática, y las decisiones relativas a las operaciones en vigor y las mejoras planificadas se adoptan a partir de información fiable que incluye las percepciones de todos sus grupos de interés”.
2. Uno de los criterios, concretamente el criterio 5: “Las organizaciones excelentes diseñan, gestionan y mejoran sus procesos con la finalidad de satisfacer completamente y generar continuamente más valor para sus clientes y otros grupos de interés.”
3. Principalmente los subcriterios o partes de criterio 1b, 2d, 5a y 5b.
4. Diversas áreas o puntos guía de estos subcriterios.
La gestión de procesos en la norma ISO 9001
Tal y como hemos comentado, una de las aportaciones más emblemáticas de la revisión del año 2000 de la ISO 90013, ha sido la inclusión del concepto de gestión de procesos. Concretamente, en el apartado 0.2, “Enfoque basado en procesos: Esta norma internacional promueve la adopción de un enfoque basado en procesos cuando se desarrolla, implementa y mejora la eficacia de un sistema de gestión de calidad, para aumentar la satisfacción del cliente mediante el cumplimiento de sus requisitos”.
Concretamente, podemos destacar los siguientes puntos:
1. 4.1.a y b, se especifica que “la organización debe a) identificar los procesos necesarios para el sistema de gestión de la calidad y su aplicación a través de la organización y b) determinar la secuencia e interacción de estos procesos”.
2. 7.1. se especifica que “La organización debe planificar y desarrollar los procesos necesarios para la realización del producto”.
3. 8.1. se especifica que “La organización debe planificar e implementar los procesos de seguimiento, medición, análisis y mejora necesarios para demostrar la conformidad del producto…”.
La gestión de procesos según otros referenciales
1. La norma ISO 14001:2004, de gestión ambiental, especifica en el apartado de Introducción “Muchas organizaciones gestionan sus operaciones por medio de la aplicación de un sistema de procesos y sus interacciones, que se puede denominar como enfoque basado en procesos”.
2. El estándar OHSAS 18001:1999, de gestión de la seguridad y salud en el trabajo, contempla la gestión de procesos.
3. La norma UNE 71502:2004, de gestión de la seguridad en la información contempla en su apartado 3 que “Es un sistema de gestión que comprende la política, la estructura organizativa, los procedimientos, los procesos y los recursos necesarios…”
4. La norma UNE 66177:2005, para la integración de los sistemas de gestión contempla el concepto de gestión de procesos en su apartado 4 y 5.3.1.
La metodología IDEF0
Un estadio más evolucionado que la utilización del clásico ‘mapa de procesos’, es la adopción de una metodología que permita observar las interrelaciones entre los procesos. Con esta finalidad nosotros hemos adoptado la metodología IDEFØ4(se lee ‘idef cero’). Un modelo IDEFØ es algo más que un mapa, ya que presenta un nivel de detalle más alto y flexible aunque, principalmente, podemos destacar la característica de presentar las interrelaciones entre los procesos.
Durante los años 70, las fuerzas del aire de USA iniciaron el programa Integrated Computer Aided Manufacturing (ICAM) que trataba de incrementar la productividad industrial a través de la aplicación sistemática de tecnología, concretamente de sistemas informáticos. El programa ICAM identificó la necesidad de mejorar las técnicas de análisis y comunicación para las personas que estaban comprometidas en mejorar esta productividad industrial.
Como resultado, el programa ICAM desarrolló una serie de técnicas conocidas como técnicas IDEF que incorporan la IDEF0, IDEF1, IDEF1X, IDEF2, IDEF3, etc.
IDEFØ se utiliza para producir un “modelo funcional”. Un modelo funcional es una representación estructurada procesos (funciones o actividades) del sistema a modelar. En la forma original, IDEFØ incluye una definición de lenguaje gráfico del modelo (sintaxis y semántica) y una descripción de una metodología extensa para modelos en desarrollo.
IDEFØ tiene diversas formas de representación:
1. Diagramas. Representa los procesos en diagramas (hojas DIN A4). El conjunto de diagramas que explican la organización se denomina Modelo IDEF de la Organización.
En cada diagrama hay representados entre tres y seis procesos (en forma de cajas). Una característica importante es que cada proceso de un diagrama se puede desplegar creando otro diagrama de nivel inferior que lo explique, también entre tres y seis procesos, hasta el nivel de detalle que se considere conveniente.
Cada proceso puede estar interconectado mediante flechas. Las que entran por el lado izquierdo de la caja se denominan “entradas”, las que salen por el lado derecho se denominan “salidas”, las que entran por el lado superior se denominan “controles” o guías y las que entran por el lado inferior se denominan “mecanismos” o recursos (figura 1).
Los procesos que ya no se descomponen más, es decir, que no tienen hijos, se han de diseñar por medio de la determinación de unas características, según explicaremos en el siguiente proceso.
Con esta herramienta podemos representar los procesos de una organización cumpliendo los requisitos de la norma ISO 9001, 4.1.a: La organización debe identificar los procesos… y 4.1.b: La organización debe determinar la secuencia e interacción de estos procesos.
2. Índice de nodos. Representa los procesos en forma textual, como índice indentado o esquema numerado de Word. Es útil porque permite ver los procesos de los distintos niveles en una misma hoja.
Un modelo GlobalIDEF0
Así pues, nos proponemos elaborar un modelo IDEF0, alineado con los requisitos de los distintos referenciales. A continuación presentamos una propuesta de modelo que simularemos en una organización denominada Global.
Queremos resaltar que sobre este modelo, además de situar los procesos requeridos por el modelo EFQM de Excelencia y la norma ISO 9001:2000, podemos incluir los procesos requeridos por otros estándares como, por ejemplo, la ISO14001:2004, OHSAS18001:1999, UNE71502, etc.
El diagrama A0
En un modelo IDEF0 el primer diagrama se denomina A0 (se lee ‘a menos cero’), o diagrama de contexto, que contiene, excepcionalmente, un solo proceso que se denomina A0 (se lee ‘a cero’).
Considerando el paradigma de la gestión excelente, cualquier organización ha de satisfacer, con su gestión, a sus diferentes grupos de interés (o stakeholders). Con este primer diagrama conseguimos una representación adecuada. El número de grupos de interés variará en cada organización según el sector en el que opere, su entorno, sus preferencias, filosofía de la gestión…
Tal como hemos diseñado este diagrama, se pueden observar las relaciones que tiene la organización con sus grupos de interés (figura 2).
El diagrama A0
El detalle del proceso A0, del diagrama anterior, está representado en el diagrama A0 (figura 3).
Hemos diseñado este diagrama de forma que se interprete, claramente, unos conceptos fundamentales del modelo EFQM y de la ISO 9001: la mejora continua. En este sentido se pueden observar las similitudes con la figura 1, de la página 11, de la norma ISO 9001. Con este diseño se cumplimenta, además de la gestión de procesos, la recomendación que contiene la nota de la página 11 de la norma que dice: “De manera adicional, puede aplicarse a todos los procesos la metodología conocida como ‘PlanificarHacerVerificarActuar’ (PHVA)”. Este concepto está ampliamente divulgado y atribuido a Deming (o Shewhart) con su famoso y útil PCDA.
En un sentido general, estos cinco procesos pueden contener:
1. A1: Planificar: Incluye todos aquellos procesos que sitúan acciones en el futuro. Ello precisa diseñar un proceso de análisis de la situación en un sentido amplio, así como la definición de objetivos de manera participativa. También incluye procesos de comunicación interna y externa de gestión, y aquellos que proporcionan guías de funcionamiento a otros procesos.
2. A2: Dar recursos: Incluye todos aquellos procesos que gestionan los recursos destinados a los demás procesos y que tienen un sentido transversal de la organización; frecuentemente son denominados procesos internos. Podemos identificar estos procesos porque son realizados por las unidades organizativas staff.
3. A3: Prestar servicios (o construir productos): Incluye todos aquellos procesos que están directamente relacionados con la operación de la organización. Desde los primeros contactos con los clientes, pasando por el diseño y la construcción de los mismos, hasta el servicio posventa.
4. A4: Revisar: Incluye aquellos procesos que analizan la información generada en la operación de la organización. El buen uso de indicadores de proceso es un aspecto fundamental. La misión de estos procesos es adivinar las relaciones obvias y las no obvias entre distintos indicadores, para lo que es de mucha utilidad el uso de herramientas para el análisis y el reporting. Estas herramientas las podríamos englobar en el concepto de BI (Business Inteligence) que emplea, por ejemplo, utilidades de estadísticas avanzadas que permitan el análisis monovariable, bivariable y multivariable, así como la agrupación de datos en tablas dinámicas y de representación gráfica.
5. A5: Mejorar: Incluye aquellos procesos que, basándose en la información obtenida del análisis del proceso de revisión, ejecutan las acciones de mejora. Estas decisiones o proyectos de mejora se pueden realizar directamente o plantearlos como objetivos en el proceso de planificación. Con ello conseguimos cerrar el círculo de la gestión o mejora continua.
6. A partir de este diagrama procederemos a situar, dentro de cada uno de los cinco procesos, todos aquellos procesos que la norma requiere. Puesto que algún requerimiento de la norma puede ser considerado de diferentes maneras, nosotros vamos a proponer una de ellas, la que nos parezca más adecuada.
A partir del próximo diagrama, marcaremos aquellos aspectos que tengan relación con los dos referenciales indicados. En color azul los subcriterios del modelo EFQM y en color amarillo los apartados de la norma ISO 9001.
IDEF0 permite, además de la representación en forma de diagrama, representar un modelo de procesos en forma de índice de nodos. En la figura 4 se muestra un ejemplo del mismo.
El proceso A1: Planificar
Este proceso contiene aquellas actividades destinadas a definir la estrategia de la organización y aquellos aspectos que marcan guías de funcionamiento generales.
El detalle del proceso A1, en forma de diagrama, se muestra en la figura 5.
El detalle del proceso A1, en forma de índice de nodos, se muestra en la figura 6.
Como regla general, encontraremos en este diagrama los procesos requeridos por los criterios 1 y 2 del modelo EFQM y los apartados 4 y 5 de ISO 9001.
A11: Implantar el sistema de gestión (se lee ‘a uno uno’, no ‘a once’’). Contiene los procesos necesarios para determinar el sistema de gestión de la organización (1b) y el diseño de los procesos (5a). Es el lugar donde se analizan y escogen las mejores metodologías existentes para aplicarlas a la organización. Asimismo, se crean los documentos guía de la organización.
A12: Gestionar el gobierno. Recoge la gestión de los órganos de gobierno de la organización.
A13: Planificar la estrategia. El valor añadido de este proceso se materializa en la obtención de la estrategia de la organización (1a, 2c, 2d y 2e) en forma de una política de calidad (5.3) y de un conjunto de objetivos (5.4.1, 5.4.2).
A14: Gestionar la comunicación corporativa. Este proceso incluye la comunicación interna, tanto vertical como horizontal (1b, 1c) y (5.5.3).
El proceso A2: Dar recursos
Este proceso contiene aquellas procesos necesarios para proporcionar los recursos a los otros procesos.
Hemos estructurado los recursos en base al modelo EFQM de Excelencia que contempla en sus criterios:
3: Personas
4: Alianzas y recursos, en las partes de criterio:
4a: Alianzas externas
4b: Recursos económicos y financieros
4c: Recursos de edificios, equipos y materiales
4d: Recursos de tecnología
4e: Recursos de información y del conocimiento.
Contiene los procesos requeridos en el apartado 6 de la norma ISO9001: Gestión de los recursos.
El detalle del proceso A2, en forma de diagrama, se muestra en la figura 7.
El detalle del proceso A2, en forma de índice de nodos, se muestra en la figura 8.
A21: Gestionar las personas. La gestión de las personas (3a, 3b, 3c, 3d y 3e) contempla, en el marco de la norma, la determinación de la competencia del personal que puede cumplimentarse con la realización de descripciones de puesto de trabajo adecuadas (aquí debemos considerar las responsabilidades del representante de la dirección, 5.5.2) y, posteriormente, la evaluación de las personas que ocupen los puestos de trabajo diseñados (6.2.2.a). También recoge proporcionar la formación (6.2.2.b), la evaluación de la eficacia de las acciones formativas (6.2.2.c), el aseguramiento del conocimiento del personal sobre su contribución en la planificación (6.2.2.d) y el mantenimiento de los registros de personal (6.2.2.e).
A22: Gestionar las alianzas externas. Es un ámbito de actuación que contempla las relaciones de distintos tipos que se tienen con el exterior (4a). En el ámbito de la ISO 9001, contemplaremos los procesos relacionados con las alianzas externas y las compras. Estas últimas, para una mejor estructuración, las agruparemos en un proceso hijo del A22 denominado A222: Gestionar compras. En este proceso situaremos los procesos de recepción de compras, los de control de proveedores y los de evaluación y selección de proveedores (7.4.1). Asimismo, contemplaremos procesos de información de las compras (7.4.2) y de verificación (7.4.3).
A23: Gestionar los recursos económicos y financieros. Estos recursos son contemplados en la parte de criterio 4b. Aunque la norma ISO 9001:2000 no establece, directamente, la gestión de los recursos económicos, cada vez es mayor el número de organizaciones que considera conveniente incorporar este tipo de recursos en el sistema de gestión.
A24: Gestionar los recursos materiales. La gestión de las infraestructuras (4c) contempla su determinación, proporción y el mantenimiento de las mismas (6.1, 6.2 y 6.3). Además podemos añadir aquí el concepto del ambiente de trabajo (6.4).
A25: Gestionar la tecnología y la información. La tecnología es contemplada en la parte de criterio 4d y la información en la 4e. En el ámbito del presente artículo incorporaremos en este proceso la gestión de los dispositivos de medición (7.6)
Asimismo, indica cómo debe gestionarse la documentación y, por lo tanto, está marcando las guías o directrices para su uso. Aquí se incluyen los registros como un tipo de documento. (4.2.1, 4.2.2, 4.2.3 y 4.2.4).
A26: Gestionar los aspectos jurídicos. El modelo EFQM hace mención de este ámbito de gestión en la parte de criterio 2b, “Analizar los datos relativos a … legales y políticas…”. También lo hace la norma ISO 9001 en su apartado 5.1 “… satisfacer los requisitos del cliente tanto los legales como los reglamentarios”.
El proceso A3: Prestar servicios
Este proceso contiene aquellas actividades destinadas a prestar los servicios o construir los productos que indica la misión de la organización.
El detalle del proceso A3, en forma de diagrama, se muestra en la figura 9.
El detalle del proceso A3, en forma de índice de nodos, se muestra en la figura 10.
Éste es un diagrama que contiene, básicamente, los procesos requeridos en las partes de criterio 5c, 5d y 5e. También en el apartado 7 de la norma: Realización del producto, además de los procesos relacionados con el cliente.
En su apartado 7.1 la norma especifica “La organización debe planificar y desarrollar los procesos necesarios para la realización del producto”. Con los procesos de este diagrama, el A3, daremos cumplimiento a este requisito de la norma.
A31: Planificar la producción. Las operaciones de producción deben ser planificadas mediante el desarrollo de los procesos necesarios para la realización del producto (7.1).
A32: Diseñar y desarrollar productos. Cuando se diseña y desarrolla un producto o servicio nuevo (5c), la organización debe considerar unas acciones de revisión, verificación y validación de su diseño (7.3).
A33: Gestionar clientes. El modelo EFQM contempla la gestión de los clientes en las partes de criterio 5d ‘.. servicio de atención…’ y 5e ‘Gestión y mejora de las relaciones con los clientes’. En la norma ISO9001, contempla en diferentes apartados el concepto de orientación al cliente. Concretamente es de aplicación el apartado 7.2, “Procesos relacionados con el cliente” en sus detalles de la determinación de requisitos (7.2.1), de su revisión (7.2.2) y de la comunicación con el cliente (7.2.3).
A partir de ahora, dependiendo del tipo de organización, la estructura de procesos será distinta. Sin embargo, en líneas generales podemos suponer que se ajusta a una configuración de procesos en paralelo. En este caso representamos una organización con dos líneas de servicio: A y B.
A34: Gestionar servicio/producto A. En este proceso incluiremos aquellos requisitos de la parte de criterio 5d ‘Producción, distribución…’ y del apartado 7.5, es decir, la producción y prestación del servicio.
A35: Gestionar servicio/producto B. Es el mismo caso que el A34.
A36: Gestionar servicio/producto C. Es el mismo caso que el A34.
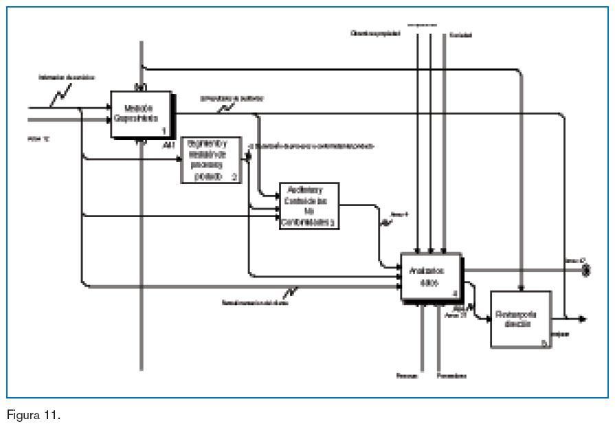
El proceso A4: Revisión
Este proceso contiene aquellas actividades destinadas a revisar la actividad de la organización.
Éste es un diagrama que contiene algunos de los procesos requeridos en la parte de criterio 2c ‘La política y estrategia se desarrolla, revisa y actualiza’ y 5b. Y en el apartado 8 de la norma: Medición, análisis y mejora. En síntesis, este proceso recoge la información de lo ocurrido en la organización y lo analiza con metodologías o enfoques fundamentados. La utilización de herramientas de análisis será un requisito indispensable para una buena revisión. La finalidad, la salida, de este proceso es un conjunto de propuestas de acciones de mejora.
El detalle del proceso A4, en forma de diagrama, se muestra en la figura 11.
El detalle del proceso A4, en forma de índice de nodos, se muestra en la figura 12.
Podemos observar los procesos de:
A41: Medir grupos de interés. Contempla la medición de las percepciones y expectativas de los grupos de interés de la organización. En líneas generales consideraremos los clientes (8.2.1), propiedad, personal, sociedad y partners (parte de criterio 2a).
A42: Medir los procesos y los servicios (o productos). Este proceso contempla las actuaciones para medir, cuando sea necesario, los procesos y el producto (8.2.3, 8.2.4). El mecanismo utilizado es el indicador, en la línea definida por Kaplan y Norton en sus aportaciones de Balanced Scorecard6o Strategic Maps7.
A43: Auditar y controlar las no conformidades. Nos permite cumplimentar los requisitos especificados en el apartado 8.2.2 para gestionar las auditorías internas y los procedimientos que permiten gestionar las no conformidades (apartado 8.3).
A44: Analizar los datos. Contiene los procedimientos necesarios para analizar la información de forma fundamentada. Incluimos aquí los requisitos del punto 8.4, de análisis de datos.
A45: Revisar por la dirección. Este proceso contempla la gestión de la revisión por la dirección del apartado 5.6.1 y 5.6.2 que consiste en tomar decisiones fruto del análisis de los datos realizado en el proceso A44. La finalidad de este proceso es la concreción de las propuestas de mejora a aplicar en la organización.
Queremos hacer una reflexión en este apartado. Entendemos que es difícil proponer acciones de mejora sustanciales con solamente un ligero análisis de los muchos datos que pueden existir en las organizaciones. Por ello es por lo que defendemos la necesidad de tomar enfoques de análisis que nos permitan obtener información sólida y robusta, para tomar decisiones sólidas y robustas. No es posible una mejora sostenida si no se es capaz de aprender del conocimiento existente en las organizaciones.
El proceso A5: Mejora
Este proceso se detalla en el diagrama A5: Mejora.
Éste es un diagrama que contiene algunos de los procesos requeridos en la parte de criterio 2c ‘La política y estrategia se desarrolla, revisa y actualiza’. También lo que se requiere en el apartado 8 de la norma: Medición, análisis y mejora, además de los procesos de revisión del apartado 5.6.3. La finalidad de este proceso es aplicar mejoras en la organización (figura 13).
El detalle del proceso A5, en forma de índice de nodos, se muestra en la figura 14.
Podemos observar los procesos de:
A51: Planificar la mejora. Este proceso permite cumplir el requisito del apartado 5.6.3 que especifica que hay que tomar decisiones destinadas a mejorar diversos aspectos.
A52: Realizar acciones estratégicas. Contempla las actuaciones que formarán parte de la estrategia de la organización y que se desarrollarán, posteriormente, en el proceso A12.
A53: Realizar acciones correctivas. Contempla las actuaciones necesarias para eliminar la causa de las no conformidades detectadas (8.5.2), recogiendo la información del proceso A44. Entendemos estas acciones dentro de la mejora continua (8.5.1).
A54: Realizar acciones preventivas. Contempla las actuaciones necesarias para eliminar las causas de las no conformidades potenciales (8.5.3). También entendemos estas acciones dentro de la mejora continua (8.5.1).
El diseño de los procesos identificados
En el apartado 4 hemos identificado los procesos de una organización, la primera fase de un sistema de gestión de procesos (véase el apartado “la gestión de procesos. Generalidades” de este artículo), y hemos situado los procesos que el modelo EFQM y la norma ISO 9001 requieren, en cada uno de ellos. A continuación es necesario proceder a la segunda fase de un sistema de gestión de procesos: el diseño.
Para diseñar un proceso deberemos, básicamente, diseñar los indicadores, los procedimientos y los documentos8. Con los procedimientos especificamos cómo queremos hacer las cosas, de qué manera, y con los indicadores evaluamos el funcionamiento de un proceso. Los documentos sirven para evidenciar la actividad realizada.
Mediante la utilización del modelo global, que presentamos en este artículo, se puede encontrar una propuesta de encaje entre los procesos y los procedimientos. Con esta propuesta damos cumplimiento a dos de los requisitos más relevantes del manual de calidad (4.2.2):
La descripción de la interacción entre los procesos (mediante los diagramas IDEF0).
Los procedimientos documentos… o referencia a los mismos (mediante el Índice de Nodos IDEF0).
Los indicadores
Un indicador es una magnitud que nos permite evaluar los procesos. Cada proceso debe tener, al igual que uno o varios procedimientos, varios indicadores.
Una forma de agruparlos puede ser: indicadores de cantidad, de calidad, de entrega y de coste. Otra, la alineada con las ‘perspectivas’ de Kaplan y Norton en su Cuadro de mando integral: finanzas, clientes, procesos internos y formacióncrecimiento. Otra, la alineada con el modelo EFQM de Excelencia: clientes, personas, sociedad y resultados de la organización.
A modo de ejemplo mostramos los indicadores del proceso A222: Gestionar compras (figura 15).
El análisis de los valores obtenidos de estos indicadores forma parte fundamental del proceso A4: Revisión. La gestión del conocimiento de una organización se basa en la gestión de la información relacionada con la organización.
Los procedimientos
Un proceso es explicado mediante uno o varios procedimientos. En ellos se diseña de qué manera se van a hacer las cosas y es el documento que permite hacer que el sistema se comporte de manera repetitiva, estable, con calidad. Antes de mejorar un proceso, es necesario estabilizarlo, lo que se consigue definiendo con precisión de qué manera se hacen las cosas.
Un procedimiento es una característica de un proceso. No puede existir un procedimiento que no esté asociado a un proceso. Un procedimiento indica cómo se tienen que hacer las cosas, con el grado de detalle que cada organización considere conveniente.
Un procedimiento es un conjunto de trámites o tareas. En cada trámite se deben especificar, como mínimo, el quién y el qué, es decir, quién (el puesto de trabajo) es el responsable de realizar el qué (la tarea).
Con los procedimientos bien diseñados podremos describir, con más facilidad, los puestos de trabajo, ya que identificaremos con facilidad todas las tareas que un determinado puesto de trabajo realiza. Asimismo, cumplimos el requisito de la norma de definir las responsabilidades (5.5.1)
Como ejemplo presentamos los títulos de los procedimientos asociados al proceso “A222: Gestionar los contratos” (figura 16).
Y, también, a modo de ejemplo presentamos el procedimiento “A222p04: Recepcionar las compras”, que está formado por un conjunto de procedimientos (figura 17).
Los documentos
Es necesario integrar, en el cuadro de clasificación documental corporativo, los expedientes y los documentos generados en los procesos. Un ejemplo de éstos se muestra en la figura 18.
Agradecimientos
Para la elaboración de este artículo ha sido de inestimable valor el soporte y la generosa colaboración que hemos tenido de Josep Maria Cruset, Marta Puig y Eloy Hernández, compañeros de trabajo del Servicio de Gestión Estratégica y Calidad en la Diputación de Tarragona, Joan Ramon Alabart de la URV, Alberto Rodríguez de BASF Tarragona y los compañeros del fórum de Calidad del ICTnet de Barcelona: Manuel Silva de Chile y Carlos Altabas de Barcelona. Asimismo, hemos añadido calidad al artículo gracias a la cuidadosa corrección de estilo que ha realizado Clara Brull.
Notas
Los lectores interesados en la última versión de este artículo pueden obtenerlo en www.brullalabart.com, donde se puede consultar un anexo a este artículo con la matriz de correspondencias. Las sugerencias serán bienvenidas.
En este artículo se utilizan algunos ejemplos extraídos de la aplicación informática de gestión ‘boonsai’5.
Referencias bibliográficas
1 Ver http://www.brullalabart.com
3 Ver artículo de esta misma serie «El modelo EFQM de Excelencia»
5 Ver artículo de esta misma serie «La norma ISO 9001:2000. Resumen comentado»
8 Kaplan y Norton (1997). El Cuadro de mando Integral, Gestión 2000.
9 Kaplan y Norton (2000). Los Mapas Estratégicos. Gestión 2000.
10 Otras características utilizadas para diseñar procesos son: la misión, las responsabilidades, las entradas y salidas (límites), los recursos, etc.
Bibliografía
Brull Alabart, Enric (2000). “La gestión de les organitzacions del sector públic: El model EFQM d’Excel·lència”. SAM revista n.9, octubre 2000. Diputació de Tarragona.
Costa Estany, Josep Maria (2000). La gestión de procesos en empresas de servicios. Gestión 2000. Barcelona.
Gil Estallo, Maria de los Ángeles (2003). Cómo crear y hacer funcionar una empresa. Conceptos e instrumentos. ESIC.
ISO 9001:2000. Sistemas de Gestión de la calidad. Requisitos. AENOR.
ISO 14001:2004. Sistemas de Gestión Ambiental. Especificaciones y directrices para su utilización. AENOR.
Kaplan y Norton (1997). El Cuadro de Mando Integral. Gestión 2000.
Kaplan y Norton (2004). Los Mapas Estratégicos. Gestión 2000.
OHSAS 18001:1999. Sistemas de Gestión de la Seguridad y salud en el trabajo. Especificación.
OHSAS 18002:2000. Sistemas de Gestión de la Seguridad y salud en el trabajo. Directrices para la implementación de OHSAS 18001; AENOR.
Resumen
Hemos desarrollado una forma de representación y, en cierta manera, de gestión de los procesos de una organización utilizando como base la metodología IDEF0 que está alineada con el modelo EFQM de Excelencia y da cumplimiento a la norma ISO 9001:2000. En otros artículos presentaremos una propuesta de los procesos o procedimientos que hay que incorporar para cumplir, además, con otras normas o estándares como, por ejemplo, ISO 14001:2004 o OHSAS 18001:1999. De esta manera se podrá observar la facilidad con la que puede realizarse un sistema integrado de gestión, si se utiliza un modelo ‘Global’.
Una misma organización se puede representar de diversas formas en función de las visiones que se tenga de la propia organización y, también, de las posiciones personales. Por este motivo, nuestra propuesta no pretende ser más que esto, una propuesta.














