Cálculo de la sección de un cable en derivaciones individuales para viviendas
Guía de cálculo rápido para conocer, en función de la longitud de la derivación individual y del tipo de centralización de contadores, la sección del cable a emplear en viviendas según el REBT
Sección de los cables en derivación individual según el REBT
En las instalaciones de enlace la parte de la instalación que partiendo de la línea general de alimentación (LGA) suministra energía a una instalación de usuario es la derivación individual (DI). Básicamente, podemos decir que la DI empieza en la caja derivadora a derivaciones individuales que hay después del interruptor de maniobra, pasa por el contador (para el cableado de los cuales se utiliza según la UNE 21.027/9 el cable H07ZR (AS) 450/750 V) y llega al cuadro de protecciones de la vivienda. Para la correcta elección de la sección de los cables de una DI, hemos de tener en cuenta tres condiciones:
1. La primera condición es la de cumplir con la tabla de las intensidades admisibles indicada en el REBT según la UNE 204605523 de noviembre de 2004 (figura 1).
El cable de PVC conocido por VVK (la primera V indica que el aislamiento interior es de PVC) cada vez es menos utilizado y su temperatura de servicio es hasta 70 ºC. El cable XLPE es el más utilizado pero no se puede utilizar en DI, pues no es de seguridad aumentada (AS). En instalaciones BT y acometidas para armarios eléctricos se conoce como RVK (la primera R indica que el aislamiento interior es de polietileno reticulado = XLPE) y su temperatura de servicio es hasta 90 ºC.
Es muy importante tener claro que en una DI la ITC15 nos obliga a incluir un hilo de mando para posibilitar la aplicación de diferentes tarifas, a instalar cables de sección mínima de 6mm2 y de 1,5mm2 para el hilo de mando que será de color rojo. Todos los cables serán de seguridad aumentada (AS). Son cables no propagadores ni de la llama ni de incendio, libres de halógenos y de emisión reducida de humos. Para montaje superficial o empotrado en canal o tubo se puede utilizar el de nomenclatura ESO7Z1K(AS), que es un cable aislado de tensión asignada 450/750V de cobre y aislamiento de compuesto termoplástico a base de poliolefina (Z1). Para cables multiconductores se utiliza el de designación genérica RZ1K(AS) que es un cable de tensión asignada 0,6/1kV con conductor de cobre clase 5(de aquí la letra K), aislamiento de polietileno reticulado (R) y cubierta de compuesto termoplástico a base de poliolefina (Z1). Este último tipo de cable se puede utilizar, además de en montajes superficiales empotrados, también en el interior de tubos enterrados.
2. Condición para aguantar la corriente de cortocircuito máxima (Icc) que se puede producir hasta que salten las protecciones y se desconecte la instalación. En BT, según GuíaBT, Anexo 3, si el centro de transformación, origen de la alimentación, está situado fuera del edificio, se puede emplear la siguiente fórmula
Icc = 0,8 U/R [1]
Icc es la intensidad de cortocircuito, U la tensión de alimentación fase neutro (230V) y R la resistencia del conductor de fase entre el punto considerado y la alimentación.
La intensidad de cortocircuito en BT no suele ser una condición que determine la sección del cable, salvo en líneas de longitud muy corta y cercanas a centros de transformación. Hay que tener en cuenta que estos cables soportan ensayos de tensión en ca durante cinco minutos a 3.500 V y que aguantan puntas de corriente muy altas durante cinco segundos. Un cable puede aguantar entre 160 ºC y 250 ºC para cables con aislamientos termoestables.
3. Condición de caída de tensión admisible. Ésta suele ser la condición más restrictiva para una DI, y sobre su cálculo nos centraremos e intentaremos facilitar unas tablas que sirvan de guía rápida a proyectistas eléctricos e instaladores, de las secciones de los cables a emplear en las DI monofásicas para viviendas con categoría básica 5.750 W y elevada 9.200 W en función de la longitud de la DI.
Cálculo de la sección del cable de una DI en función de la caída de tensión
En la ITCBT15 se nos indica que la caída de tensión para el caso de una centralización parcial de contadores (contadores concentrados en más de un lugar) es del 0,5%, para el caso de contadores totalmente concentrados sería del 1% y para el caso de DI en suministros para un único usuario en el que no exista LGA sería de 1,5% (figura 2).
Vale la pena recordar que el valor de la caída de tensión podrá compensarse entre la de la instalación interior y la de la DI de forma que la caída de tensión total sea inferior a la suma de los valores límites especificados para ambas, según el tipo de esquema utilizado.
Para receptores monofásicos, y siguiendo los cálculos de la caída de tensión indicados en la GuíaBT, Anexo 2, sabemos que:
S = 2 P · L/?·e·U [2]
Donde P es la potencia prevista para la línea en vatios, L la longitud de la línea en metros, ß la conductividad del cobre en m/» mm2(variable en función de la tem. de trabajo), e la caída de tensión en voltios, U la tensión de fase en monofásico (230 V) y S la sección que debe tener el cable.
Tabla de cálculo de una DI en viviendas con categoría de electrificación básica
Contadores totalmente concentrados
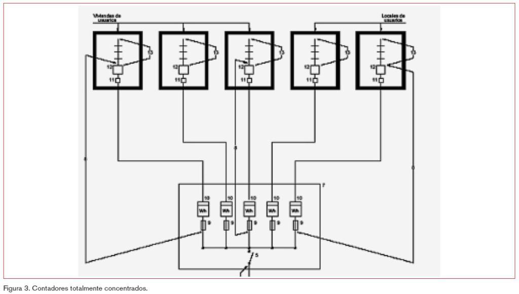
En el caso de contadores totalmente concentrados de la figura 3, si queremos determinar las secciones de los cables a emplear en las DI monofásicas para viviendas con categoría básica 5.750 W y en función de la longitud de la DI y de la temperatura de trabajo prevista, primero debemos calcular la temperatura máxima prevista de servicio del cable y de aquí deducimos el valor adecuado de la conductividad a aplicar en la fórmula [2].
Para calcular la Tmáxima prevista de servicio de un cable se puede considerar que su incremento de temperatura
(T) respecto a la temperatura ambiente To (25 ºC para cables enterrados y 40 ºC para cables al aire) es proporcional al cuadrado del valor eficaz de la intensidad. Así que:
?T = T To = K · I2 ; de aquí:
?Tmax = K · I2max ; por lo tanto, se
puede deducir, despejando K, que:
T=To + (TmaxTo) · (I/Imax)2 [3]
Donde T es la temperatura real estimada en el conductor; Tmáx, temperatura máxima admisible para el conductor según su tipo de aislamiento; To, la temperatura ambiente del conductor; I, la intensidad prevista para el conductor; e Imax, intensidad máxima admisible para el conductor según el tipo de instalación.
Para un cable del tipo RZ1K(AS) de sección 6 mm2 de montaje superficial o empotrado To son 40 ºC, el cable su T máxima de servicio son 90 ºC, la intensidad prevista son 25A y la Imax para este cable es de 40A según figura 1 cable XLPE 2 en montaje B2.
T6mm 2= 40 + (90 – 40) · (25/40)2 = 59,53 ºC
De la misma forma podemos obtener:
T10mm2= 40 + (90 – 40) · (25/54)2 = 50,71 ºC
T16mm2= 40 + (90 – 40) · (25/73)2 = 45,71 ºC
T25mm2= 40 + (90 – 40) · (25/95)2 = 43,46 ºC
La conductividad del Cu a esta temperatura se puede calcular a partir de la siguiente fórmula:
?? = ?20[1 + a (? – 20)] [4]
Donde ?? es la resistividad del conductor a la temperatura ?; ?20 es la resistividad del cobre a 20 ºC (0,01786 O mm2/m) y a es el coeficiente de variación de resistencia específica por temperatura del conductor en ºC1, para el cobre a = 0,00392 ºC1 de aquí y sabiendo que:
? =1/ ?
podemos deducir que para el cobre (Cu)
?40 = 52; ?45 = 51; ?50 = 52; ?60 = 48,5; ?70 = 47; ?90 = 44.
Si consideramos el caso que nos ocupa de contadores totalmente concentrados de la figura 3 donde el REBT nos indica que en la DI la caída de tensión máxima (e) debe ser del 1%, para DI monofásicas (hasta 63 A) y siguiendo los cálculos de la caída de tensión indicados en [2] podemos elaborar, ver tabla 1, una hoja en Excel donde podemos determinar las secciones de los cables a emplear en las DI monofásicas para viviendas con categoría básica 5.750 W y en función de la longitud de la DI y de la temperatura de trabajo prevista.
Para su cálculo se ha aplicado la fórmula [2] P = 2 P · L/?·e·U donde P = 5.750
W, L (longitud) es una variable de la tabla en metros, ß es la conductividad del cobre que es otra variable de la tabla, e = 2,3 V (1% de 230 Vac) y U = 230 V. Aplicando la fórmula, obtenemos una tabla en la que podemos observar que la sección adecuada del cable en función de la distancia y la temperatura a la que consideremos que trabajará el cobre es mayor que la calculada típicamente para una conductividad de 56 m/?mm2 correspondiente a 20 ºC.
Para un cable del tipo ESO7Z1K(AS) de sección 6 mm2 de montaje superficial o empotrado To son 40 ºC, el cable su T máxima de servicio son 70 ºC, la intensidad prevista son 25 A y la Imax para este cable son 36 A según figura 1, cable 70 ºC de temperatura máxima de servicio en montaje B1, se obtiene:
T6mm2= 40 + (70 – 40) · (25/36)2 = 54,46 ºC
De la misma forma podemos obtener:
T10mm2= 40 + (70 – 40) · (25/50)2 = 47,5 ºC
T16mm2= 40 + (70 – 40) · (25/66)2 = 44,3 ºC
T25mm2= 40 + (70 – 40) · (25/84)2 = 42,65 ºC
Si extrapolamos los datos a la tabla 1 vemos que tenemos el mismo camino crítico calculado para el cable anterior, por lo que podemos resumir los datos en la tabla 3.
Centralización parcial de contadores
Este tipo de instalación se puede observar en la figura 4. En este caso, la caída de tensión permitida según el REBT (figura 2) es del 0,5%. Siguiendo los cálculos de la caída de tensión indicados en [2], podemos elaborar, ver tabla 2, una hoja en Excel donde podemos determinar las secciones de los cables a emplear en las DI monofásicas para viviendas con categoría básica 5.750 W y en función de la longitud de la DI y de la temperatura de trabajo prevista.
Conclusión. Tabla rápida para DI en viviendas de P = 5.750 W
De los datos obtenidos podemos elaborar la tabla 3 como guía rápida en el cálculo de la sección a aplicar en las DI en viviendas con grado mínimo de electrificación básico.
Tabla de cálculo de una DI en viviendas con categoría de electrificación elevada
Contadores totalmente concentrados
En el caso de contadores totalmente concentrados de la figura 3, si queremos determinar las secciones de los cables a emplear en las DI monofásicas para viviendas con el amperaje mínimo (40A) en grado de electrificación elevado 9.200 W, en función de la longitud de la DI y de la temperatura de trabajo prevista, primero debemos calcular la temperatura máxima prevista de servicio del cable y de aquí deducimos el valor adecuado de la conductividad a aplicar en la fórmula [2].
Para calcular la Tmáxima prevista de servicio de un cable, se puede considerar que su incremento de temperatura (T) respecto de la temperatura ambiente To (25 ºC para cables enterrados y 40 ºC para cables al aire) es proporcional al cuadrado del valor eficaz de la intensidad. Aplicamos la ecuación [3].
Para un cable del tipo RZ1K(AS) de sección 6mm2 de montaje superficial o empotrado To son 40 ºC, el cable su T máxima de servicio son 90 ºC, la intensidad prevista son 40 A y la Imax para este cable son 40 A según figura 1 cable XLPE 2 en montaje B2.
T6mm2= 40 + (90 – 40) · (40/40)2 = 90 ºC
De la misma forma podemos obtener:
T10mm2= 40 + (90 – 40) · (40/54)2 = 67,4 ºC
T16mm2= 40 + (90 – 40) · (40/73)2 = 55 ºC
T25mm2= 40 + (90 – 40) · (40/95)2 = 48,9 ºC
T35mm2= 40 + (90 – 40) · (40/119)2 = 45,6 ºC
T50mm2= 40 + (90 – 40) · (40/145)2 = 43,8 ºC
Si consideramos el caso de contadores totalmente concentrados de la figura 3 donde el REBT nos indica que en la DI la caída de tensión máxima (e) debe ser del 1%, para DI monofásicas (hasta 63A) y siguiendo los cálculos de la caída de tensión indicados en [2] podemos elaborar, ver tabla I, una hoja en Excel donde podemos determinar las secciones de los cables a emplear en las DI monofásicas para viviendas con grado de electrificación elevado de 9.200 W y en función de la longitud de la DI y de los posibles valores de la conductividad del cobre en función de la temperatura de trabajo prevista, obtenemos la tabla 4.
Para un cable del tipo ESO7Z1K(AS) de sección 6mm2 no se cumple el criterio de intensidad máxima pues sólo llega a 36 A en montaje superficial o empotrado To son 40 ºC, el cable su T máxima de servicio son 70 ºC la intensidad prevista son 40A y la Imax para este cable para sección10 mm2 son 50A según figura 1, cable 70 ºC de temperatura máxima de servicio en montaje B1, se obtiene:
T10mm2= 40 + (70 – 40) · (40/50)2 ?= 59,2 ºC
T16mm2= 40 + (70 – 40) · (40/66)2 = 51ºC
T25mm2= 40 + (70 – 40) · (40/84)2 = 46,8 ºC
T35mm2= 40 + (70 – 40) · (40/104)2 = 44,4 ºC
Con este tipo de cable para sección 6 mm2 no se cumple el criterio de la intensidad máxima admisible de 40 A, por ello en DI con grado de electrificación alto la sección mínima instalable son 10 mm2. Si extrapolamos los datos a la tabla 4 vemos que tenemos el mismo camino crítico calculado para el cable anterior, por lo que podemos resumir los datos en la tabla VI.
Centralización parcial de contadores
Este tipo de instalación se puede observar en la figura 4. En este caso la caída de tensión permitida según el REBT (ver figura 2) es del 0,5%. Siguiendo los cálculos de la caída de tensión indicados en [2], podemos elaborar (tabla 5) una hoja en Excel donde podemos determinar las secciones de los cables a emplear en las DI monofásicas para viviendas con grado de electrificación elevada 9.200 W y en función de la longitud de la DI y de la conductividad del cobre en la temperatura de trabajo prevista.
Conclusión. Tabla rápida para DI para vivienda electrificación elevada 9.200 W
De los datos obtenidos se puede elaborar la tabla 6 como guía rápida en el cálculo de la sección a aplicar en las DI en viviendas con grado de electrificación elevado de 9.200 W.
Conclusión
En este artículo se ha pretendido, de una forma detallada, justificar las tablas 3 y 4 con el objetivo de facilitar una guía de cálculo rápido a proyectistas eléctricos e instaladores, para conocer en función de la longitud de la derivación individual y del tipo de centralización de contadores, la sección del cable (AS) a emplear.
Bibliografía
Guía Técnica de aplicación: Instalaciones de Enlace del Reglamento Electrotécnico para Baja Tensión, GuiaBT15 publicada por el Ministerio de Ciencia y Tecnología. www.mct.es
Guía Técnica de aplicación Anexos Cálculo de las Caídas de Tensión, GuíaBTAnexo 2 publicada por el Ministerio de Ciencia y Tecnología. www.mct.es
Boletín VoltiNEWS, de 27 de septiembre de 2006, Cables de Alta Seguridad (AS), portal Voltimum, Power Point de la empresa Prysmian, www.Voltimum.es
Normativa
Real Decreto 842/2002, de 2 de agosto, por el que se aprueba el Reglamento Electrotécnico para Baja Tensión.











